Латунные люверсы
  • Латунные люверсы Латунные люверсы

Латунные люверсы

Nuote Metals производит латунные люверсы более 10 лет. Мы находимся в Дунгуане, Китай. латунные проушины изготовлены из латунного материала, что делает их прочными, легкими и достаточно долговечными, чтобы выдерживать регулярный износ, не ржавея. Новый инструмент для люверсов мы можем изготовить в течение 10 дней для быстрой подготовки образца.

Отправить запрос

Описание продукта

Введение латунных люверсов


Латунные люверсы устойчивы к коррозии. Их можно использовать в декоративных и функциональных целях, чтобы добавить визуальности в зависимости от того, где они используются. Основная роль латунных люверсов заключается в усилении отверстий и защите материалов от износа, вызванного неровными краями этих отверстий.


латунные люверсы


brass eyelets

Латунные люверсы показывают:



brass eyelets

Параметр продукта (спецификация)


Материал

Латунь

Обработка поверхности

Чистая, цинкование, никелирование, серебрение, по запросу.

Сертификат

Соответствует RoHS

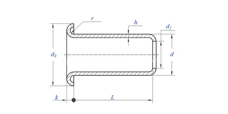
Диаметр хвостовика

0,8-10 мм

Толерантность

+/- 0,05 мм

Приложение

 Подходит для использования в различных отраслях промышленности, в том числеавтомобильная, аэрокосмическая, электротехническая и электронная промышленность и т. д.

Контроль качества

100% проверка всего ассортимента на производстве гарантирует соответствие каждого продукта стандарту ISO, гарантируя высокое качество продукции.



Особенности продукта и применение


Латунные люверсы просты в использовании, имеют прочную конструкцию и изготовлены из высококачественной латуни. Поскольку они легкие по весу, они намного дешевле, чем другие крепежные детали. Латунь обеспечивает более высокую коррозионную стойкость, долговечность, формуемость и эстетику, чем чистая медь. Латунные проушины часто используются в текстиле, листовом металле и различных волокнистых материалах.


латунные люверсы Детали производства


brass eyelets

Информация об упаковке


brass eyelets


ЧАСТО ЗАДАВАЕМЫЕ ВОПРОСЫ:


В1: какой у вас минимальный заказ для латунных петель?

Минимальный заказ заклепок составляет 20 000 шт.


В2: Можете ли вы адаптировать изготовление по нашему рисунку?

Да, большинство наших трубчатых заклепок изготавливаются по индивидуальному заказу по чертежам клиента.


В3: Можете ли вы предоставить бесплатные образцы полых заклепок?

Мы можем предоставить бесплатные образцы того размера, который у нас есть на складе, но клиенты будут платить за экспресс-доставку.


В4: какое у вас время доставки?

Размер заклепок на складе: 3-5 дней, нестандартных заклепок: 15-25 дней. Мы осуществим доставку в кратчайшие сроки с гарантией качества.


В5: качество вашей продукции?

Компания располагает передовым производственным и испытательным оборудованием. Перед отправкой каждая продукция будет на 100% проверена нашим отделом контроля качества.


В6: Почему мы выбираем технологию Nuote?

1. Мы уважаем условия клиентов для защиты проектов конфиденциальности клиентов.

2. Высокое качество по привлекательной цене.

3. Быстрое время выполнения заказа

4. Удачная сделка и честность по отношению к клиенту и партнеру.

5.Профессиональная реклама по продажам ответит на ваш запрос в течение 8 часов.

6. Продукты и услуги Nuote продаются более чем в 70 странах с хорошей репутацией.




Горячие Теги: Латунные люверсы
Связанная категория
Отправить запрос
Пожалуйста, не стесняйтесь дать свой запрос в форме ниже. Мы ответим вам в течение 24 часов.
X
Мы используем файлы cookie, чтобы предложить вам лучший опыт просмотра, анализировать трафик сайта и персонализировать контент. Используя этот сайт, вы соглашаетесь на использование нами файлов cookie. политика конфиденциальности