Ушко Сталь

Ушко Сталь

Мы Nuote Metals, расположенный в Дунгуане. Наш завод специализируется на производстве стальных петель. Мы работаем с проушинами из стали уже много лет. Этот тип стали отличается прочностью и легкостью формовки. Мы перерабатываем сталь в тонкие листы или рулоны. Затем вырезаем и формируем из него петельки. Наша стальная проушина чистая и гладкая. Он не имеет грубых краев. Мы изготавливаем петли многих размеров из этой стали с петельками. Каждое изделие проверяется на качество. Многие клиенты покупают нашу стальную продукцию с проушинами. Они верят в свои силы и доводят дело до конца. Мы также можем изготовить стальные проушины по специальному заказу.

Отправить запрос

Описание продукта

Ушко Сталь Введение

Сталь для люверсов изготавливается из специальной стали. Она мягче, чем некоторые другие стали. Благодаря этому сталь легко прессовать и формовать. Когда вы делаете люверсы из люверсной стали, они прочные, но не хрупкие. Их можно согнуть, не сломав. Сталь для петель часто имеет блестящую поверхность или покрытие. Это помогает предотвратить появление ржавчины и сохранить внешний вид. Для работы с люверсной сталью мы используем штамповочные станки. Машины штампуют сталь в круглые кольца. Затем эти кольца становятся петельками, которые мы используем каждый день.



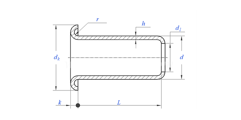
Параметр стали проушины (спецификация)



Материал сталь
Обработка поверхности Чистая, цинкование, никелирование, серебрение, по запросу.
Сертификат Соответствует RoHS
Диаметр хвостовика 0,8-10 мм
Толерантность +/- 0,05 мм
Приложение Подходит для использования в различных отраслях промышленности, включая автомобильную, аэрокосмическую, электротехническую, электронную и т. д.
Контроль качества 100% проверка всего ассортимента на производстве гарантирует соответствие каждого продукта стандарту ISO, гарантируя высокое качество продукции.




рисунок, как показано ниже:


Особенности и применение стали с проушиной

В обуви используются стальные петельки для шнурков. Сумкам и ремням они нужны для отверстий и лямок. В уличном снаряжении, например в палатках, также используются стальные проушины. Часто они есть в рабочей одежде и униформе. В некоторых чехлах для мебели и автомобилей используются стальные петли. Даже в детских рюкзаках используются маленькие стальные петельки. Эти люверсы хорошо выдерживают ежедневное использование. Они прочные и не рвут материал. Наши клиенты выбирают стальные проушины для надежной работы. Они знают, что стальные проушины хорошо справятся со своей задачей. Мы рады поставлять качественную люверсную сталь из нашей мастерской в ​​Дунгуане.


Детали из стали с проушиной

ЧАСТО ЗАДАВАЕМЫЕ ВОПРОСЫ:

В1: Каков ваш минимальный заказ для стали с проушинами?

Минимальный заказ заклепок составляет 20 000 шт.


В2: Можете ли вы адаптировать изготовление по нашему рисунку?

Да, большинство наших трубчатых заклепок изготавливаются по индивидуальному заказу по чертежам клиента.


В3: Можете ли вы предоставить бесплатные образцы полых заклепок?

Мы можем предоставить бесплатные образцы того размера, который у нас есть на складе, но клиенты будут платить за экспресс-доставку.


В4: какое у вас время доставки?

Размер заклепок на складе: 3-5 дней, нестандартных заклепок: 15-25 дней. Мы осуществим доставку в кратчайшие сроки с гарантией качества.


В5: качество вашей продукции?

Компания располагает передовым производственным и испытательным оборудованием. Перед отправкой каждая продукция будет на 100% проверена нашим отделом контроля качества.


В6: Почему мы выбираем технологию Nuote?

1. Мы уважаем условия клиентов для защиты проектов конфиденциальности клиентов.

2. Высокое качество по привлекательной цене.

3. Быстрое время выполнения заказа

4. Удачная сделка и честность по отношению к клиенту и партнеру.

5.Профессиональная реклама по продажам ответит на ваш запрос в течение 8 часов.

6. Продукты и услуги Nuote продаются более чем в 70 странах с хорошей репутацией.


Горячие Теги: Люверсы стальные, Люверсы стальные Китай, Китайский завод люверсов
Связанная категория
Отправить запрос
Пожалуйста, не стесняйтесь дать свой запрос в форме ниже. Мы ответим вам в течение 24 часов.
X
Мы используем файлы cookie, чтобы предложить вам лучший опыт просмотра, анализировать трафик сайта и персонализировать контент. Используя этот сайт, вы соглашаетесь на использование нами файлов cookie. политика конфиденциальности