Стальная втулка

Стальная втулка

Привет из Дунгуаня, Китай. Мы Nuote Metals. Здесь мы производим прочные стальные втулки. Наш завод каждый день производит стальные люверсы. Мы используем хороший стальной материал. Эта сталь толстая и прочная. Мы производим стальные втулки разных размеров. Некоторые из них маленькие. Некоторые очень большие. Наша команда проверяет каждую стальную втулку. Они внимательно рассматривают каждую деталь. Многие клиенты покупают наши стальные втулки снова и снова. Им нравится наше качество. Они доверяют нашей продукции. Мы прилагаем все усилия, чтобы сделать хорошие стальные втулки для всех.

Отправить запрос

Описание продукта

Стальная втулка Введение

Стальная втулка представляет собой простое металлическое кольцо. Он проникает в отверстия в ткани или коже. Стальная втулка делает отверстие прочным. Если продеть в него веревку, отверстие не порвется. Стальные люверсы хорошо работают снаружи. Они не ржавеют легко. Дождь и солнце им не сильно вредят. Чтобы вставить стальную втулку, вам понадобится машина. Машина вдавливает стальную втулку в материал. Потом оно остается там надолго. Он не ослабевает. Вот как стальные втулки помогают продлить срок службы вещей.



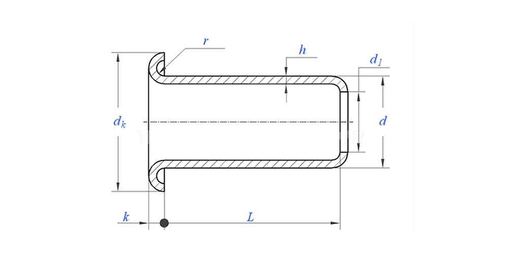
Параметры стальной втулки (спецификация)



Материал сталь
Обработка поверхности Чистая, цинкование, никелирование, серебрение, по запросу.
Сертификат Соответствует RoHS
Диаметр хвостовика 0,8-10 мм
Толерантность +/- 0,05 мм
Приложение Подходит для использования в различных отраслях промышленности, включая автомобильную, аэрокосмическую, электротехническую, электронную и т. д.
Контроль качества 100% проверка всего ассортимента на производстве гарантирует соответствие каждого продукта стандарту ISO, гарантируя высокое качество продукции.




Чертеж стальной втулки, как показано ниже:


Особенности и применение стальной втулки

Стальные втулки используются во многих местах. Для крепления крышек грузовиков используются стальные втулки. Палаткам нужны стальные втулки для веревок. Ручки сумок имеют стальные втулки. В некоторых туфлях для шнурков используются стальные втулки. Рабочая одежда также имеет стальные люверсы. Для подвешивания наружных вывесок часто используются стальные люверсы. Даже на лодках в качестве крышек используются стальные люверсы. Стальные втулки повсюду. Они помогают держать вещи вместе. и сделать вещи прочными и безопасными. Наши клиенты выбирают наши стальные втулки, потому что они хорошо работают. Они знают, что наши стальные втулки их не подведут. Мы гордимся тем, что производим такие полезные продукты здесь, в Дунгуане.


Детали стальной втулки

Стальная втулка Информация об упаковке

ЧАСТО ЗАДАВАЕМЫЕ ВОПРОСЫ:

В1: Каков ваш минимальный заказ для стальной втулки?

Минимальный заказ заклепок составляет 20 000 шт.


В2: Можете ли вы адаптировать изготовление по нашему рисунку?

Да, большинство наших трубчатых заклепок изготавливаются по индивидуальному заказу по чертежам клиента.


В3: Можете ли вы предоставить бесплатные образцы полых заклепок?

Мы можем предоставить бесплатные образцы того размера, который у нас есть на складе, но клиенты будут платить за экспресс-доставку.


В4: какое у вас время доставки?

Размер заклепок на складе: 3-5 дней, нестандартных заклепок: 15-25 дней. Мы осуществим доставку в кратчайшие сроки с гарантией качества.


В5: качество вашей продукции?

Компания располагает передовым производственным и испытательным оборудованием. Перед отправкой каждая продукция будет на 100% проверена нашим отделом контроля качества.


В6: Почему мы выбираем технологию Nuote?

1. Мы уважаем условия клиентов для защиты проектов конфиденциальности клиентов.

2. Высокое качество по привлекательной цене.

3. Быстрое время выполнения заказа

4. Удачная сделка и честность по отношению к клиенту и партнеру.

5.Профессиональная реклама по продажам ответит на ваш запрос в течение 8 часов.

6. Продукты и услуги Nuote продаются более чем в 70 странах с хорошей репутацией.

Горячие Теги: Стальная втулка,Китайская стальная втулка,Производитель стальной втулки
Связанная категория
Отправить запрос
Пожалуйста, не стесняйтесь дать свой запрос в форме ниже. Мы ответим вам в течение 24 часов.
X
Мы используем файлы cookie, чтобы предложить вам лучший опыт просмотра, анализировать трафик сайта и персонализировать контент. Используя этот сайт, вы соглашаетесь на использование нами файлов cookie. политика конфиденциальности