Люверсы для печатной платы
  • Люверсы для печатной платы Люверсы для печатной платы

Люверсы для печатной платы

Люверсы для печатных плат имеют прочную цилиндрическую форму, которая усиливает перфорированные отверстия в различных материалах, помогает предотвратить истирание и обеспечивает чистые, обработанные края. Nuote Metals является производителем петель для печатных плат в Китае уже более 10 лет. У нас на складе есть много размеров.

Отправить запрос

Описание продукта

Введение проушин для печатной платы


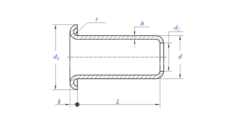
Наиболее распространенной формой петель является стандартная круглая петелька, которая широко используется благодаря своей простой и эффективной конструкции. Проушины для печатной платы обычно расположены плоско на головке.


люверсы для печатной платы


eyelets for PCB


Показ применения металлических люверсов:


eyelets for PCB



Параметр продукта (спецификация)


Материал

Латунь, сталь, медь, нержавеющая сталь

Обработка поверхности

Чистая, цинкование, никелирование, серебрение, по запросу.

Сертификат

Соответствует RoHS

Диаметр хвостовика

0,8-10 мм

Толерантность

+/- 0,05 мм

Приложение

 Подходит для использования в различных отраслях промышленности, в том числеавтомобильная, аэрокосмическая, электротехническая и электронная промышленность и т. д.

Контроль качества

100% проверка всего ассортимента на производстве гарантирует соответствие каждого продукта стандарту ISO, гарантируя высокое качество продукции.


Особенности продукта и применение


Проушины для печатных плат являются одними из наиболее часто используемых и создаются путем пробивания отверстия в верхней части печатной платы.


люверсы для печатной платы Детали производства


eyelets for PCB


Информация об упаковке


eyelets for PCB


ЧАСТО ЗАДАВАЕМЫЕ ВОПРОСЫ:


В1: какой у вас минимальный заказ для петель для печатных плат?

Минимальный заказ заклепок составляет 20 000 шт.


В2: Можете ли вы адаптировать изготовление по нашему рисунку?

Да, большинство наших петель для печатных плат изготавливаются по чертежам клиента.


В3: Можете ли вы предоставить бесплатные образцы полых заклепок?

Мы можем предоставить бесплатные образцы того размера, который у нас есть на складе, но клиенты будут платить за экспресс-доставку.


В4: какое у вас время доставки?

Размер заклепок на складе: 3-5 дней, нестандартных заклепок: 15-25 дней. Мы осуществим доставку в кратчайшие сроки с гарантией качества.


В5: качество вашей продукции?

Компания располагает передовым производственным и испытательным оборудованием. Перед отправкой каждая продукция будет на 100% проверена нашим отделом контроля качества.


В6: Почему мы выбираем технологию Nuote?

1. Мы уважаем условия клиентов для защиты проектов конфиденциальности клиентов.

2. Высокое качество по привлекательной цене.

3. Быстрое время выполнения заказа

4. Удачная сделка и честность по отношению к клиенту и партнеру.

5.Профессиональная реклама по продажам ответит на ваш запрос в течение 8 часов.

6. Продукты и услуги Nuote продаются более чем в 70 странах с хорошей репутацией.


Горячие Теги: Люверсы для печатной платы
Связанная категория
Отправить запрос
Пожалуйста, не стесняйтесь дать свой запрос в форме ниже. Мы ответим вам в течение 24 часов.
X
Мы используем файлы cookie, чтобы предложить вам лучший опыт просмотра, анализировать трафик сайта и персонализировать контент. Используя этот сайт, вы соглашаетесь на использование нами файлов cookie. политика конфиденциальности