Полые заклепки
  • Полые заклепки Полые заклепки

Полые заклепки

Полые заклепки, также называемые заклепками с проушиной, обычно изготавливаются из латуни, стали, меди, нержавеющей стали, алюминия и т. д. Они могут быть покрыты оловом, никелем, цинком и т. д. Компания Nuote Metals уже более 10 лет производит полые заклепки в Китае, у нас на складе много разных размеров. Приглашаем вас отправить нам запрос с индивидуальным чертежом.

Отправить запрос

Описание продукта

Введение полых заклепок


Заклепки и проушины представляют собой промышленные крепежные детали, используемые для соединения двух или более материалов, но они различаются по структурной целостности и функциям. Заклепки с ушками — разновидность полого кольца или трубки — предназначены для менее постоянного, часто декоративного или полупостоянного крепления.


полые заклепки


hollow rivets


Показ применения полых заклепок:


hollow rivets



Параметр продукта (спецификация)


Материал

Латунь

Обработка поверхности

Чистая, цинкование, никелирование, серебрение, по запросу.

Сертификат

Соответствует RoHS

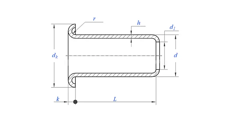
Диаметр хвостовика

0,8-10 мм

Толерантность

+/- 0,05 мм

Приложение

 Подходит для использования в различных отраслях промышленности, в том числеавтомобильная, аэрокосмическая, электротехническая и электронная промышленность и т. д.

Контроль качества

100% проверка всего ассортимента на производстве гарантирует соответствие каждого продукта стандарту ISO, гарантируя высокое качество продукции.


Особенности продукта и применение


Материалы для заклепок с проушинами включают алюминий, латунь или сталь, каждый из которых имеет определенные преимущества с точки зрения коррозионной стойкости, прочности и стоимости. полые заклепки вкручиваются в предварительно пробитое отверстие, чтобы укрепить материал и обеспечить законченный край, широко используются в текстиле, кожаных изделиях, канцелярских товарах, брезенте, оконных занавесках и в рукоделии.


полые заклепки Детали производства


hollow rivets


Информация об упаковке


hollow rivets


ЧАСТО ЗАДАВАЕМЫЕ ВОПРОСЫ:


В1: Каков ваш минимальный заказ для полых заклепок?

Минимальный заказ заклепок составляет 20 000 шт.


В2: Можете ли вы адаптировать изготовление по нашему рисунку?

Да, большинство наших трубчатых заклепок изготавливаются по индивидуальному заказу по чертежам клиента.


В3: Можете ли вы предоставить бесплатные образцы полых заклепок?

Мы можем предоставить бесплатные образцы того размера, который у нас есть на складе, но клиенты будут платить за экспресс-доставку.


В4: какое у вас время доставки?

Размер заклепок на складе: 3-5 дней, нестандартных заклепок: 15-25 дней. Мы осуществим доставку в кратчайшие сроки с гарантией качества.


В5: качество вашей продукции?

Компания располагает передовым производственным и испытательным оборудованием. Перед отправкой каждая продукция будет на 100% проверена нашим отделом контроля качества.


В6: Почему мы выбираем технологию Nuote?

1. Мы уважаем условия клиентов для защиты проектов конфиденциальности клиентов.

2. Высокое качество по привлекательной цене.

3. Быстрое время выполнения заказа

4. Удачная сделка и честность по отношению к клиенту и партнеру.

5.Профессиональная реклама по продажам ответит на ваш запрос в течение 8 часов.

6. Продукты и услуги Nuote продаются в более чем 70 странах с хорошими показателями.


Горячие Теги: Полые заклепки
Связанная категория
Отправить запрос
Пожалуйста, не стесняйтесь дать свой запрос в форме ниже. Мы ответим вам в течение 24 часов.
X
Мы используем файлы cookie, чтобы предложить вам лучший опыт просмотра, анализировать трафик сайта и персонализировать контент. Используя этот сайт, вы соглашаетесь на использование нами файлов cookie. политика конфиденциальности