Люверсы из нержавеющей стали 316

Люверсы из нержавеющей стали 316

На нашем предприятии в Дунгуане компания Nuote Metals производит прочные проушины из нержавеющей стали 316. Этот материал особенный, потому что он очень хорошо противостоит ржавчине. Мы производим люверсы из нержавеющей стали 316 уже много лет. Эти люверсы прочные и могут прослужить долго. Мы изготавливаем их разных размеров. Некоторые из них маленькие для деликатных продуктов. Некоторые из них имеют большие размеры и подходят для интенсивного использования. Каждая проушина из нержавеющей стали 316 проверяется нашей командой. Они гарантируют, что каждая деталь будет гладкой и чистой. Многие клиенты выбирают наши люверсы из нержавеющей стали 316. Они доверяют качеству и долговечности. Мы можем предоставить образцы в течение нескольких дней.

Отправить запрос

Описание продукта

Люверсы из нержавеющей стали 316 Введение

Люверсы из нержавеющей стали 316 изготовлены из высококачественной стали. Эта сталь содержит молибден. Благодаря этому проушины из нержавеющей стали 316 лучше противостоят коррозии. Они не ржавеют в соленой воде или влажном воздухе. Эти проушины также прочны под давлением. Они не сгибаются и не ломаются легко. Для производства люверсов из нержавеющей стали 316 мы используем точные станки. Машины разрезают сталь и придают ей идеальные кольца. Затем мы полируем каждую проушину из нержавеющей стали 316. Это придает им красивый вид и гладкие края.


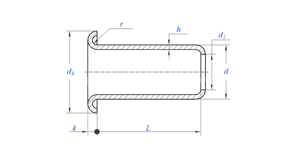
Рисунок люверсов из нержавеющей стали 316, как показано ниже:

Параметр люверсов из нержавеющей стали 316 (спецификация)



Материал нержавеющая сталь
Обработка поверхности Чистая, цинкование, никелирование, серебрение, по запросу.
Сертификат Соответствует RoHS
Диаметр хвостовика 0,8-10 мм
Толерантность +/- 0,05 мм
Приложение Подходит для использования в различных отраслях промышленности, включая автомобильную, аэрокосмическую, электротехническую, электронную и т. д.
Контроль качества 100% проверка всего ассортимента на производстве гарантирует соответствие каждого продукта стандарту ISO, гарантируя высокое качество продукции.


Особенности и применение люверсов из нержавеющей стали 316

Проушины из нержавеющей стали 316 используются в тяжелых условиях. Лодки и морское оборудование используют их из-за соленой воды. Уличные светильники используют их в любую погоду. Химические заводы иногда нуждаются в них из-за их устойчивости. Пищевое оборудование также может использовать их. Эти проушины нужны для высококачественного снаряжения для активного отдыха. Даже в архитектурных проектах для украшения и функциональности используются люверсы из нержавеющей стали 316. Их выбирают там, где обычные люверсы заржавели бы. Наши клиенты полагаются на наши проушины из нержавеющей стали 316 в важных случаях. Они знают, что эти люверсы будут хорошо работать и хорошо выглядеть долгие годы. Мы гордимся тем, что производим такую ​​надежную продукцию здесь, в Дунгуане.


Детали люверсов из нержавеющей стали 316


ЧАСТО ЗАДАВАЕМЫЕ ВОПРОСЫ:

В1: Каков ваш минимальный заказ для петель из нержавеющей стали 316?

Минимальный заказ заклепок составляет 20 000 шт.


В2: Можете ли вы адаптировать изготовление по нашему рисунку?

Да, большинство наших трубчатых заклепок изготавливаются по индивидуальному заказу по чертежам клиента.


В3: Можете ли вы предоставить бесплатные образцы полых заклепок?

Мы можем предоставить бесплатные образцы того размера, который у нас есть на складе, но клиенты будут платить за экспресс-доставку.


В4: какое у вас время доставки?

Размер заклепок на складе: 3-5 дней, нестандартных заклепок: 15-25 дней. Мы осуществим доставку в кратчайшие сроки с гарантией качества.


В5: качество вашей продукции?

Компания располагает передовым производственным и испытательным оборудованием. Перед отправкой каждая продукция будет на 100% проверена нашим отделом контроля качества.


В6: Почему мы выбираем технологию Nuote?

1. Мы уважаем условия клиентов для защиты проектов конфиденциальности клиентов.

2. Высокое качество по привлекательной цене.

3. Быстрое время выполнения заказа

4. Удачная сделка и честность по отношению к клиенту и партнеру.

5.Профессиональная реклама по продажам ответит на ваш запрос в течение 8 часов.

6. Продукты и услуги Nuote продаются более чем в 70 странах с хорошей репутацией.

Горячие Теги: Люверсы из нержавеющей стали 316, люверсы SUS316L, люверсы из нержавеющей стали в Китае
Связанная категория
Отправить запрос
Пожалуйста, не стесняйтесь дать свой запрос в форме ниже. Мы ответим вам в течение 24 часов.
X
Мы используем файлы cookie, чтобы предложить вам лучший опыт просмотра, анализировать трафик сайта и персонализировать контент. Используя этот сайт, вы соглашаетесь на использование нами файлов cookie. политика конфиденциальности