Люверсы для масленок

Люверсы для масленок

Люверсы для масленок из нержавеющей стали представляют собой специальные небольшие кольца, используемые в масленках. Они названы в честь их классического использования в традиционных масленках. Nuote Metals в Дунгуане, Китай, производит надежные люверсы для масленок из нержавеющей стали разных размеров.

Отправить запрос

Описание продукта

Введение люверсов для масленок

Эти люверсы для масленок изготовлены из цельного куска нержавеющей стали. Это делает их прочными и устойчивыми к ржавчине, что очень важно для длительного использования. Конструкция включает в себя полый центр и заранее сформированный паз. Эта канавка позволяет легко и без особых усилий надежно втиснуть проушины масленки в отверстие в листовом металле. Установка выполняется быстро, обеспечивая плотное и постоянное уплотнение.


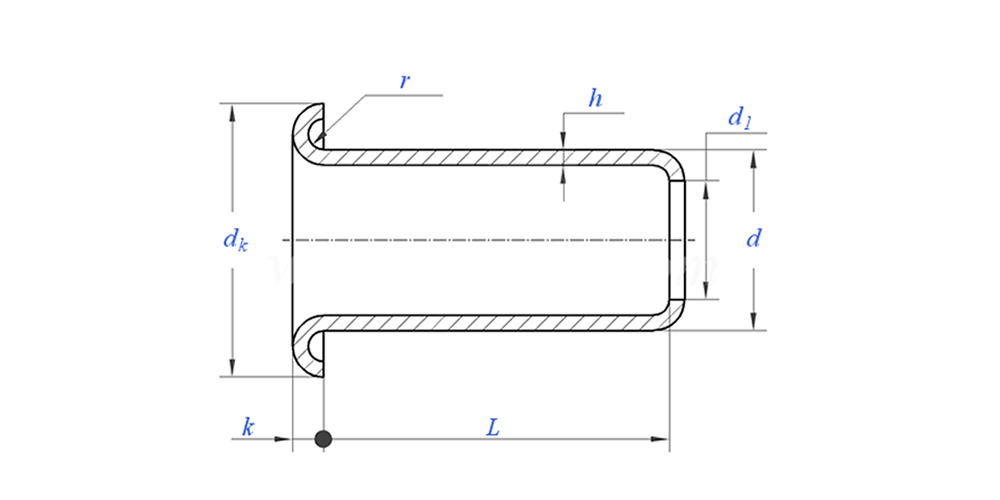
Рисунок люверсов масленки, как показано ниже:

Показ применения проушин масленки:

Параметр люверсов масленки (спецификация)


Материал Нержавеющая сталь 304
Обработка поверхности Чистая, цинкование, никелирование, серебрение, по запросу.
Сертификат Соответствует RoHS
Диаметр хвостовика 0,8-10 мм
Толерантность +/- 0,05 мм
Приложение Подходит для использования в различных отраслях промышленности, включая автомобильную, аэрокосмическую, электротехническую, электронную и т. д.
Контроль качества

100% проверка всего ассортимента на производстве гарантирует соответствие каждого продукта стандарту ISO, гарантируя высокое качество продукции.


Особенности и применение люверсов для масленок

Эти люверсы для масленок вы найдете там, где они нужны больше всего: на носике масленки. Они создают гладкое усиленное отверстие для вытекания масла. Эта простая деталь делает использование банки проще и чище. Это также делает излив намного прочнее, поэтому он не изнашивается легко. Без хорошей проушины для масленки металлический край может стать шероховатым и вызвать утечку. Вот почему эта маленькая деталь так важна для надежной масленки.


люверсы для масленок Детали производства

Информация об упаковке


ЧАСТО ЗАДАВАЕМЫЕ ВОПРОСЫ:

В1: какой у вас минимальный заказ для проушин для масляных банок?

Минимальный заказ заклепок составляет 20 000 шт.


В2: Можете ли вы адаптировать изготовление по нашему рисунку?

Да, большинство наших трубчатых заклепок изготавливаются по индивидуальному заказу по чертежам клиента.


В3: Можете ли вы предоставить бесплатные образцы полых заклепок?

Мы можем предоставить бесплатные образцы того размера, который у нас есть на складе, но клиенты будут платить за экспресс-доставку.


В4: какое у вас время доставки?

Размер заклепок на складе: 3-5 дней, нестандартных заклепок: 15-25 дней. Мы осуществим доставку в кратчайшие сроки с гарантией качества.


В5: качество вашей продукции?

Компания располагает передовым производственным и испытательным оборудованием. Перед отправкой каждая продукция будет на 100% проверена нашим отделом контроля качества.


В6: Почему мы выбираем технологию Nuote?

1. Мы уважаем условия клиентов для защиты проектов конфиденциальности клиентов.

2. Высокое качество по привлекательной цене.

3. Быстрое время выполнения заказа

4. Удачная сделка и честность по отношению к клиенту и партнеру.

5.Профессиональная реклама по продажам ответит на ваш запрос в течение 8 часов.

6. Продукты и услуги Nuote продаются более чем в 70 странах с хорошей репутацией.





Горячие Теги: Люверсы для масленки, люверсы для масленки, люверсы из нержавеющей стали для масленки
Связанная категория
Отправить запрос
Пожалуйста, не стесняйтесь дать свой запрос в форме ниже. Мы ответим вам в течение 24 часов.
X
Мы используем файлы cookie, чтобы предложить вам лучший опыт просмотра, анализировать трафик сайта и персонализировать контент. Используя этот сайт, вы соглашаетесь на использование нами файлов cookie. политика конфиденциальности