Люверсы для штор предназначены как для внешнего вида, так и для функциональности. Они имеют гладкую внутреннюю поверхность, через которую легко проходит карниз. Благодаря этому открывать и закрывать шторы очень просто. Люверсы также хорошо держат форму, не позволяя им со временем деформироваться. Эта прочность является ключевой особенностью качественных люверсов для штор.
| Материал | Латунь, сталь, алюминий, нержавеющая сталь, медь |
| Обработка поверхности | Чистая, цинкование, никелирование, серебрение, по запросу. |
| Сертификат | Соответствует RoHS |
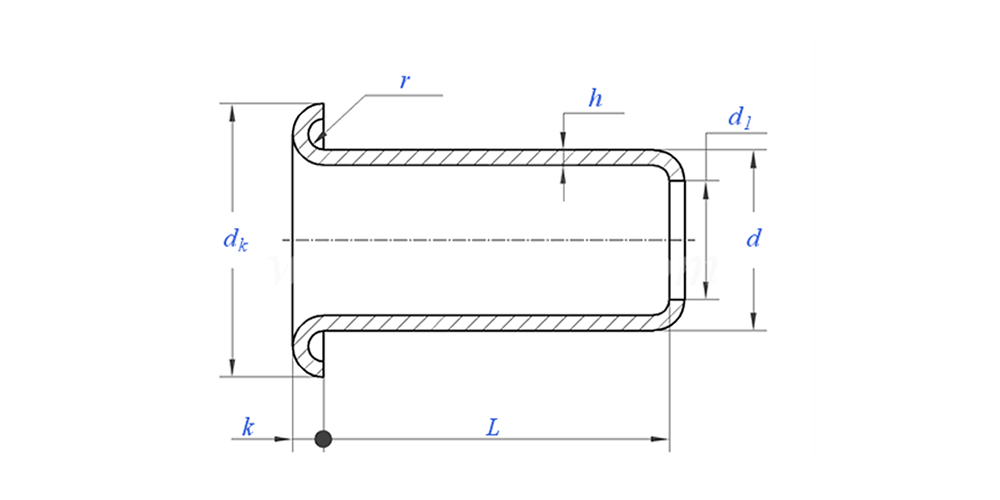
| Диаметр хвостовика | 0,8-10 мм |
| Толерантность | +/- 0,05 мм |
| Приложение | Подходит для использования в различных отраслях промышленности, включая автомобильную, аэрокосмическую, электротехническую, электронную и т. д. |
| Контроль качества | 100% проверка всего ассортимента на производстве гарантирует соответствие каждого продукта стандарту ISO, гарантируя высокое качество продукции. |
Основное применение люверсов для штор – это, конечно же, подвешивание штор. Они создают глубокие и элегантные складки на ткани, придавая любой комнате очень современный вид. Поскольку люверсы для штор плавно скользят по стержню, для открытия или закрытия штор требуется совсем немного усилий. Эта простая система делает люверсы для штор популярным и практичным выбором для многих людей сегодня.

В1: какой у вас минимальный заказ для люверсов для штор?
Минимальный заказ заклепок составляет 20 000 шт.
В2: Можете ли вы адаптировать изготовление по нашему рисунку?
Да, большинство наших трубчатых заклепок изготавливаются по индивидуальному заказу по чертежам клиента.
В3: Можете ли вы предоставить бесплатные образцы полых заклепок?
Мы можем предоставить бесплатные образцы того размера, который у нас есть на складе, но клиенты будут платить за экспресс-доставку.
В4: какое у вас время доставки?
Размер заклепок на складе: 3-5 дней, нестандартных заклепок: 15-25 дней. Мы осуществим доставку в кратчайшие сроки с гарантией качества.
В5: качество вашей продукции?
Компания располагает передовым производственным и испытательным оборудованием. Перед отправкой каждая продукция будет на 100% проверена нашим отделом контроля качества.
В6: Почему мы выбираем технологию Nuote?
1. Мы уважаем условия клиентов для защиты проектов конфиденциальности клиентов.
2. Высокое качество по привлекательной цене.
3. Быстрое время выполнения заказа
4. Удачная сделка и честность по отношению к клиенту и партнеру.
5.Профессиональная реклама по продажам ответит на ваш запрос в течение 8 часов.
6. Продукты и услуги Nuote продаются более чем в 70 странах с хорошей репутацией.