Ушко и шайба

Ушко и шайба

Петельку и шайбу можно найти во многих предметах повседневного обихода. Это небольшие металлические детали. Ушко похоже на колечко, а шайба — на плоский диск. Они прижимаются друг к другу, образуя прочное и гладкое отверстие в таких материалах, как ткань или пластик. Это предотвращает разрыв материала. В Китае эти небольшие, но полезные детали производит компания Nuote Metals. мы производим множество типов петель и шайб для разных работ.

Отправить запрос

Описание продукта

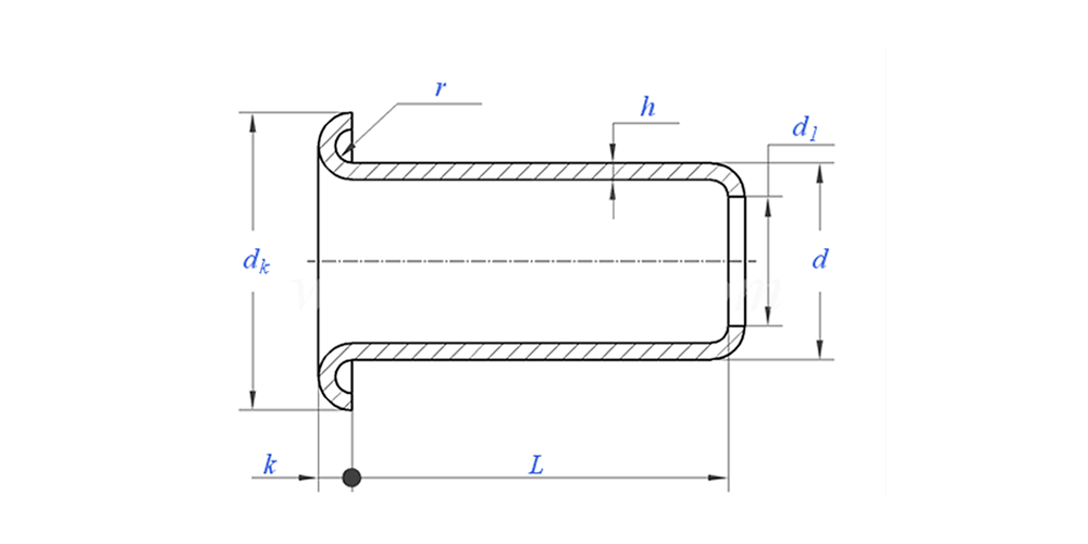
Введение петельки и шайбы

Что делает ушко и шайбу такими полезными, так это их простота. Вы вставляете ушко в отверстие в материале. Затем вы кладете шайбу сзади. На них давит машина, сжимая кусочки вместе. Это плотно фиксирует материал между собой. В результате получается чистое, прочное отверстие, которое не изнашивается легко. Благодаря такой простой конструкции петелька и шайба представляют собой очень надежное решение.


рисунок проушины и шайбы, как показано ниже:

Показ применения петель и шайб:

Параметр петельки и шайбы (спецификация)

Материал Латунь
Обработка поверхности Чистая, цинкование, никелирование, серебрение, по запросу.
Тип головы Цельные заклепки с круглой головкой
Сертификат Соответствует RoHS
Диаметр хвостовика 0,8-8 мм
Толерантность +/- 0,05 мм
Приложение Подходит для использования в различных отраслях промышленности, включая автомобильную, аэрокосмическую, электротехническую, электронную и т. д.
Контроль качества 100% проверка всего ассортимента на производстве гарантирует соответствие каждого продукта стандарту ISO, гарантируя высокое качество продукции.




Особенности и применение петель и шайб

Хороший пример того, где вы видите ушко и шайбу, — это масленка. Многие масленки имеют небольшой металлический носик для переливания. Этот носик часто используется и может легко порваться. Но если присмотреться, то часто можно увидеть небольшое металлическое кольцо, укрепляющее отверстие. Это ушко и шайба в работе. Это делает носик прочным и предотвращает утечки, поэтому масла хватит надолго. Это идеальное применение для этой простой пары деталей.


ушко и шайба Детали производства

Информация об упаковке

ЧАСТО ЗАДАВАЕМЫЕ ВОПРОСЫ:

В1: какой у вас минимальный заказ для петель и шайб?

Минимальный заказ заклепок составляет 20 000 шт.


В2: Можете ли вы адаптировать изготовление по нашему рисунку?

Да, большинство наших трубчатых заклепок изготавливаются по индивидуальному заказу по чертежам клиента.


В3: Можете ли вы предоставить бесплатные образцы полых заклепок?

Мы можем предоставить бесплатные образцы того размера, который у нас есть на складе, но клиенты будут платить за экспресс-доставку.


В4: какое у вас время доставки?

Размер заклепок на складе: 3-5 дней, нестандартных заклепок: 15-25 дней. Мы осуществим доставку в кратчайшие сроки с гарантией качества.


В5: качество вашей продукции?

Компания располагает передовым производственным и испытательным оборудованием. Перед отправкой каждая продукция будет на 100% проверена нашим отделом контроля качества.


В6: Почему мы выбираем технологию Nuote?

1. Мы уважаем условия клиентов для защиты проектов конфиденциальности клиентов.

2. Высокое качество по привлекательной цене.

3. Быстрое время выполнения заказа

4. Удачная сделка и честность по отношению к клиенту и партнеру.

5.Профессиональная реклама по продажам ответит на ваш запрос в течение 8 часов.

6. Продукты и услуги Nuote продаются более чем в 70 странах с хорошей репутацией.


Горячие Теги: Ушко и шайба,Китай Ушко и шайба,Производитель петель и шайбы
Связанная категория
Отправить запрос
Пожалуйста, не стесняйтесь дать свой запрос в форме ниже. Мы ответим вам в течение 24 часов.
X
Мы используем файлы cookie, чтобы предложить вам лучший опыт просмотра, анализировать трафик сайта и персонализировать контент. Используя этот сайт, вы соглашаетесь на использование нами файлов cookie. политика конфиденциальности