Металлические люверсы

Металлические люверсы

Вы наверняка много раз видели металлические люверсы, даже не замечая их. Это маленькие металлические кольца, которые закрепляют отверстия во всех видах продуктов. Металлическая петелька может выглядеть простой, но она предназначена для решения общей проблемы: предотвращения разрывов и износа отверстий. Будь то в вашей обуви или рюкзаке, этот маленький компонент усердно работает, чтобы продлить срок службы вещей.

Отправить запрос

Описание продукта

Введение металлической петельки

Установить металлическую петельку довольно просто. Вы помещаете основную часть в материал, затем нажимаете шайбу сзади. Специальные инструменты позволяют сделать это быстро, но даже простые инструменты работают нормально. Что хорошего в металлической петле, так это то, что она защищает материал вокруг отверстия от износа, сохраняя все аккуратным и прочным.


Демонстрация применения металлической петельки:

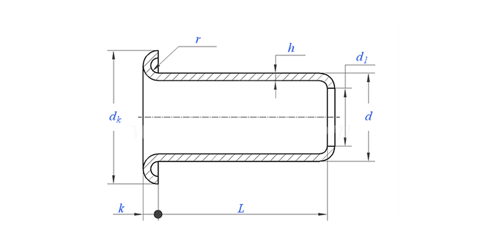
Рисунок металлической петельки, как показано ниже:


Параметр металлических люверсов (спецификация)



Материал Латунь, сталь, алюминий, нержавеющая сталь, медь
Обработка поверхности Чистая, цинкование, никелирование, серебрение, по запросу.
Сертификат Соответствует RoHS
Диаметр хвостовика 0,8-10 мм
Толерантность +/- 0,05 мм
Приложение Подходит для использования в различных отраслях промышленности, включая автомобильную, аэрокосмическую, электротехническую, электронную и т. д.
Контроль качества 100% проверка всего ассортимента на производстве гарантирует соответствие каждого продукта стандарту ISO, гарантируя высокое качество продукции.



Металлические люверсы: особенности и применение

Вы будете удивлены, сколько мест можно найти с усердно работающими металлическими проушинами. Благодаря им отверстия для шнурков на обуви не рвутся после многократного использования. В снаряжении для активного отдыха, таком как палатки и паруса, металлические проушины без сбоев выдерживают суровые погодные условия. Они также необходимы в промышленных условиях, помогая организовать кабели и провода. Везде, где есть отверстие, нуждающееся в защите, вы, скорее всего, обнаружите металлическую проушину, выполняющую свою работу.


Детали производства металлических петель

Информация об упаковке

ЧАСТО ЗАДАВАЕМЫЕ ВОПРОСЫ:

В1: какой у вас минимальный заказ для металлической петли?

Минимальный заказ заклепок составляет 20 000 шт.


В2: Можете ли вы адаптировать изготовление по нашему рисунку?

Да, большинство наших трубчатых заклепок изготавливаются по индивидуальному заказу по чертежам клиента.


В3: Можете ли вы предоставить бесплатные образцы полых заклепок?

Мы можем предоставить бесплатные образцы того размера, который у нас есть на складе, но клиенты будут платить за экспресс-доставку.


В4: какое у вас время доставки?

Размер заклепок на складе: 3-5 дней, нестандартных заклепок: 15-25 дней. Мы осуществим доставку в кратчайшие сроки с гарантией качества.


В5: качество вашей продукции?

Компания располагает передовым производственным и испытательным оборудованием. Перед отправкой каждая продукция будет на 100% проверена нашим отделом контроля качества.


В6: Почему мы выбираем технологию Nuote?

1. Мы уважаем условия клиентов для защиты проектов конфиденциальности клиентов.

2. Высокое качество по привлекательной цене.

3. Быстрое время выполнения заказа

4. Удачная сделка и честность по отношению к клиенту и партнеру.

5.Профессиональная реклама по продажам ответит на ваш запрос в течение 8 часов.

6. Продукты и услуги Nuote продаются более чем в 70 странах с хорошей репутацией.


Горячие Теги: Металлические люверсы,Китайские металлические люверсы,Завод металлических люверсов
Связанная категория
Отправить запрос
Пожалуйста, не стесняйтесь дать свой запрос в форме ниже. Мы ответим вам в течение 24 часов.
X
Мы используем файлы cookie, чтобы предложить вам лучший опыт просмотра, анализировать трафик сайта и персонализировать контент. Используя этот сайт, вы соглашаетесь на использование нами файлов cookie. политика конфиденциальности