Люверсы для печатной платы

Люверсы для печатной платы

Проушины для печатной платы представляют собой небольшие металлические кольца, предназначенные для установки на печатную плату. Это может показаться простым, но играет важную роль. Люди используют их для создания прочных и надежных отверстий в печатной плате. Этот небольшой компонент помогает гарантировать, что соединения не будут повреждены во время сборки или использования. Компания Nuote Metals рада помочь вам узнать больше о проушинах для печатных плат.

Отправить запрос

Описание продукта

Знакомство с проушинами для печатной платы

Основная задача проушины для печатной платы — укрепить отверстие. Обычно он изготавливается из латуни и часто покрывается оловом или припоем. Это позволяет легко припаивать к нему компоненты. При вдавливании в плату ушко для печатной платы укрепляет отверстие, предотвращая появление трещин на медной дорожке. Он действует как прочный чехол, защищающий деликатный материал печатной платы.


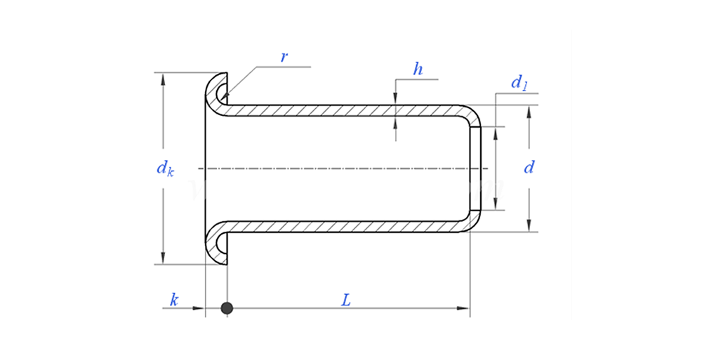
Рисунок проушин печатной платы, как показано ниже:

Параметр люверсов для печатной платы (спецификация)



Материал Латунь
Обработка поверхности Чистая, цинкование, никелирование, серебрение, по запросу.
Сертификат Соответствует RoHS
Диаметр хвостовика 0,8-10 мм
Толерантность +/- 0,05 мм
Приложение Подходит для использования в различных отраслях промышленности, включая автомобильную, аэрокосмическую, электротехническую, электронную и т. д.
Контроль качества 100% проверка всего ассортимента на производстве гарантирует соответствие каждого продукта стандарту ISO, гарантируя высокое качество продукции.



Приложение для проушин печатной платы показывает:


Особенности и применение проушин для печатных плат

Вы найдете проушины для печатных плат, используемые во многих электронных продуктах. Они идеально подходят для мест, где требуется надежная точка подключения, например, у трансформатора или опоры большого компонента. Ушко на печатной плате также часто используется в контрольных точках, где датчик может подключаться неоднократно. В переключателях или разъемах проушина для печатной платы обеспечивает механическую нагрузку на металлическую втулку, а не на саму хрупкую плату. Они необходимы для обеспечения долговечности электроники.


Печатные проушины Детали производства

Информация об упаковке

ЧАСТО ЗАДАВАЕМЫЕ ВОПРОСЫ:

В1: Каков ваш минимальный заказ для петель для печатных плат?

Минимальный заказ заклепок составляет 20 000 шт.


В2: Можете ли вы адаптировать изготовление по нашему рисунку?

Да, большинство наших трубчатых заклепок изготавливаются по индивидуальному заказу по чертежам клиента.


В3: Можете ли вы предоставить бесплатные образцы полых заклепок?

Мы можем предоставить бесплатные образцы того размера, который у нас есть на складе, но клиенты будут платить за экспресс-доставку.


В4: какое у вас время доставки?

Размер заклепок на складе: 3-5 дней, нестандартных заклепок: 15-25 дней. Мы осуществим доставку в кратчайшие сроки с гарантией качества.


В5: качество вашей продукции?

Компания располагает передовым производственным и испытательным оборудованием. Перед отправкой каждая продукция будет на 100% проверена нашим отделом контроля качества.


В6: Почему мы выбираем технологию Nuote?

1. Мы уважаем условия клиентов для защиты проектов конфиденциальности клиентов.

2. Высокое качество по привлекательной цене.

3. Быстрое время выполнения заказа

4. Удачная сделка и честность по отношению к клиенту и партнеру.

5.Профессиональная реклама по продажам ответит на ваш запрос в течение 8 часов.

6. Продукты и услуги Nuote продаются более чем в 70 странах с хорошей репутацией.


Горячие Теги: Проушины для печатных плат,Проушины для печатных плат,Китайские проушины для печатных плат
Связанная категория
Отправить запрос
Пожалуйста, не стесняйтесь дать свой запрос в форме ниже. Мы ответим вам в течение 24 часов.
X
Мы используем файлы cookie, чтобы предложить вам лучший опыт просмотра, анализировать трафик сайта и персонализировать контент. Используя этот сайт, вы соглашаетесь на использование нами файлов cookie. политика конфиденциальности